服务热线

400-869-8582

我们能帮您找点什么吗?

BeanAir BeanDevice® WIFI | Wilow® AX-3D 无线振动传感器

德国 BeanAir BeanDevice® WIFI | Wilow® AX-3D 无线物联网振动传感器|加速度传感器,BeanDevice® WIFI |提供多种测量范围 (±2g) WiLow® AX-3D是一款带有内置数据记录器的 ULP(超低功耗)WIFI 振动传感器(加速度、峰值粒子速度和振幅)。

BeanAir BeanDevice® WIFI | Wilow® AX-3D无线物联网传感器得益于WIFI技术,可用于动态测量(高达3kHz),而不会出现网络瓶颈问题。

BeanAir BeanDevice® WIFI | Wilow® AX-3D无线振动传感器具有防水(IP67/Nema 6)和轻质铝制外壳(65x59x35mm,220g)、超低功耗模式(节电模式下为0.2mA)、内置数据记录器(可记录500万条数据)等特点作为一款微型天线罩全向天线,最大无线范围可达 200 米 (LOS),这款出色的 ULP WIFI 加速计专用于结构健康监测、状态监测和多种工业监测应用。

虽然绝大多数无线物联网传感器不适合恶劣的工业环境,但BeanDevice® WIFI | WiLow® AX-3D集成了创新的天线分集设计,可提高遭受随机和多样化干扰的环境中的无线电链路质量,可以通过添加第三方 WIFI 中继器来扩展无线范围。

一、BeanAir BeanDevice® WIFI | Wilow® AX-3D 无线振动加速度传感器的主要特点

主要特点

• IOT Ready:集成开源物联网协议MQTT 数据交换。

• 高精度加速度计(测量范围±2g),具有FFT、PPV(峰值粒子速度)和振幅计算。

•  ULP(超低功耗)Wifi 技术。

• 防水(IP67|NEMA 6) 和坚固的铝制外壳。

• 智能灵活的电源:内置可充电锂电池(780 mAh)USB 5VDC 电源

和可选的辅助电源 6-24VDC 兼容太阳能采集。

• 嵌入式数据记录器:多达 500 万个数据点(具有事件约会功能)。

• USB 2.0 链路用于设备配置(包括固件升级)。

• 依靠 Beanair® 设计的无线电天线分集实现出色的无线电链路。

• 虚拟测斜仪。

• 通过WIFI 进行无线固件升级。

• 存储转发+:无损数据传输。

二、BeanAir BeanDevice® WIFI | Wilow® AX-3D 传感器运行方式

Wilow ®传感器可以轻松地与第三方WIFI 接入点配合使用。只需将您的 PC/笔记本电脑和 Beandevice Wilow® 连接到WIFI 接入点,然后开始在您自己的 IOT 软件(借助MQTT )或我们的监控软件(BeanScape® Wilow® )上接收实时数据流。

BeanAir BeanDevice WIFI Wilow AX-3D 无线振动传感器运行原理.png

默认情况下,我们的Wilow®传感器配有免费版本的监控软件(BeanScape®Wilow®Lite ),用户可以访问物联网传感器仪表板、可视化实时图形显示、配置MQTT框架和备份数据测量在日志文件上。

三、先进的振动分析工具

高性能加速度计和 24 位 Delta-Sigma 模数转换器的组合可实现极低噪声操作(±2g 版本为 45 µg/√Hz)。智能能源管理(USB 和能量收集)允许通过内部锂聚合物充电电池、USB 移动电源或太阳能电池板为 BeanDevice® Wilow® 供电。Store and Forward+是一种无损数据传输机制,可在数据传输至关重要的工业应用中大规模部署WiLow®传感器。BeanScape ® Wilow® (仅限 Premium 和 RA 版本)是一款专用于我们的无线物联网传感器的监控软件,具有完整的实时振动诊断和报告:

      • 实时振动、FFT 和峰值粒子速度显示。

      • 先进的振动分析工具:仅±2g 版本的FFT、PPV(峰值粒子速度)。

      • 用于结构运动监测的振幅测量。

      • 自动FFT 和峰值粒子速度报告(符合DIN4150-3 标准)。

      • 达到振动阈值时通过电子邮件生成警报  。

      • 达到振动阈值 时通过电子邮件生成警报。

BeanDevice® WIFI为I OT(工业物联网)应用做好准备| WiLow® AX-3D集成了 MQTT(消息队列遥测传输)数据框架,这是一种轻量级开源物联网协议。用户可以快速设置经济实惠且可扩展的物联网应用程序,探索我们的 MQTT 生态系统:物联网传感器的 MQTT 工具包。

BeanAir BeanDevice WIFI Wilow AX-3D 无线振动传感器结构图.jpg

四、BeanAir BeanDevice® WIFI | Wilow® AX-3D 传感器的应用领域

应用领域

• 桥梁监控:如桥梁振动监测

• 状态监测:如水泵振动监测

• 汽车测试• 测试与测量:列车振动监测

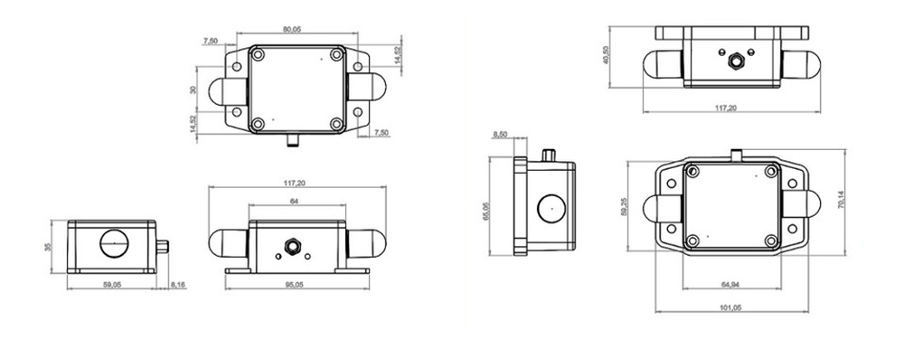
五、BeanAir BeanDevice® WIFI | Wilow® AX-3D 传感器的尺寸图和远程访问

尺寸图和远程访问

BeanAir BeanDevice WIFI Wilow AX-3D 无线振动传感器尺寸1.jpg

BeanAir BeanDevice® WIFI | Wilow® AX-3D 传感器尺寸图

BeanAir BeanDevice WIFI Wilow AX-3D 无线振动传感器远程访问.jpg

BeanAir BeanDevice® WIFI | Wilow® AX-3D 传感器远程访问

推荐产品

热门资讯

头条

3DMCV7 是MicroStrain 推出的一款具备战术级性能的惯性传感器

佛蒙特州威利斯顿,2022 年 5 月 27 日- 全球运动和控制技术领导者派克汉尼汾公司的派克洛德噪声、振动和声振粗糙度部门通过推出3DM CV7-AHRS 和3DM扩大了其 MicroStrain 传感产品组合CV7-AR 惯性传感器。3DM CV7传感器采用迄今为止最小、最轻的 OEM 封装,提供战术级惯性性能。3DM CV7 传感器专为大批量 OEM 机器人应用而设计,能够以令人难以置信的价值提供始终如一的准确结果。

2025-10-31
探索更多

BeanAir BeanDevice® WIFI | Wilow® AX-3D 无线振动传感器

咨询或邀约我们

请在线留言

captcha
我已阅读并同意使用条款隐私保护政策
我已阅读并同意使用条款隐私保护政策