服务热线

400-869-8582

我们能帮您找点什么吗?

Adin Robotics AFT200-D80-C, EC 智能六轴机器人力/扭矩传感器

一、产品介绍

韩国 Adin Robotics 公司生产的 AFT200-D80-C, EC 是一款附着在协作机器人手腕上的六轴扭矩传感器产品。AFT200-D80-C, EC 基于静态容量测量方法,是通过检查施加到传感器上的力来测量物体重量并了解力控制、工作指令和碰撞检测的重要传感器。

二、产品特点

    • 配备自己的IMU,传感器可以记住自己的位置。

    • 支持三种通讯方式:CAN、EtherCAT、以太网。

    • 可集成到协作机器人中。

    • 优异的耐环境性能。

    • 通过4kV放电测试并获得。

    • 微型6轴力/扭矩传感器。

    • 一体化传感器(无需额外的放大器)。

    • 数字输出通讯(C-CAN, EC-EtherCAT)。

    • 于集成惯性测量单元。

    • IMU手、机器人手、医疗和 VR/触觉。

三、技术规格

技术参数
技术指标

单位

工作电压

VDC

5(CAN)

最(CAN)大激励电压

VDC

24 (EtherCAT)

力测量范围(FXYZ)

N

200

矩测量范围(TXYZ)

Nm

15
最大力安全范围 (FX/YZ)

N

300/500
最大扭矩安全范围 (TXYZ)

N

25

测量力分辨率 (FXYZ)

N

0.15

测量扭矩分辨率 (TXYZ)

Nm

0.015

采样速率

Hz

1000
使用温度范围

10-50 °C

通信CAN,EtherCAT
接头For User: CAN_H / CAN_L / VCC / GND  ODU G40B0C-P10LCC9-0000

四、相关图纸

产品图纸

AFT200-D80-C, EC 传感器硬件接口定义.png

硬件接口定义

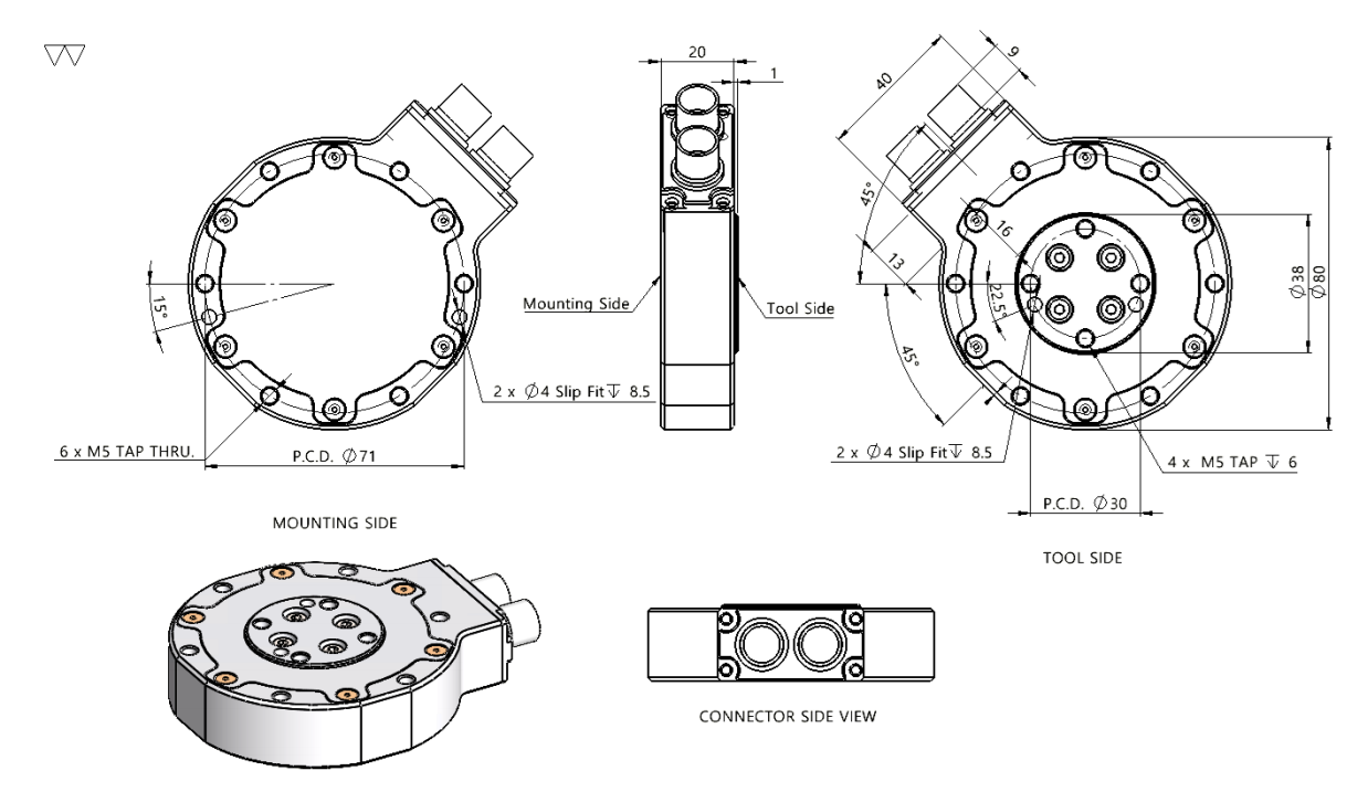
AFT200-D80-C, EC 传感器尺寸图.png

二维图纸(尺寸图)

AFT200-D80-C, EC 传感器安装示意图.png

安装示意图
AFT200-D80-C, EC 传感器应用实例.jpg
应用实例

推荐产品

热门资讯

头条

3DMCV7 是MicroStrain 推出的一款具备战术级性能的惯性传感器

佛蒙特州威利斯顿,2022 年 5 月 27 日- 全球运动和控制技术领导者派克汉尼汾公司的派克洛德噪声、振动和声振粗糙度部门通过推出3DM CV7-AHRS 和3DM扩大了其 MicroStrain 传感产品组合CV7-AR 惯性传感器。3DM CV7传感器采用迄今为止最小、最轻的 OEM 封装,提供战术级惯性性能。3DM CV7 传感器专为大批量 OEM 机器人应用而设计,能够以令人难以置信的价值提供始终如一的准确结果。

2025-10-31
探索更多

Adin Robotics AFT200-D80-C, EC 智能六轴机器人力/扭矩传感器

咨询或邀约我们

请在线留言

captcha
我已阅读并同意使用条款隐私保护政策
我已阅读并同意使用条款隐私保护政策