服务热线

400-869-8582

我们能帮您找点什么吗?

Leuze DCR 202i FIX-L1-102-R3-H 固定式2D条码阅读器

劳易测 Leuze DCR 202i FIX-L1-102-R3-H 固定式 2D 条码阅读器/紧凑型扫描仪(商品编号: 50149835),基于摄像头的 1D/2D 扫描仪还可以读取运动中的条码,并且应用广泛。

一、产品介绍

产品简介
类型:

紧凑型扫描仪

系列:

DCR 200i

接口:

RS 232, RS 422, Ethernet

开关原理:

MOSFET-半导体
功能:
读取 2D 条码,读取一维码读取距离:50 ... 800 mm
可读条码类型

2/5 隔行扫描码

Code 39

EAN 128码

PDF 417

32 码

Code 93

GS1 DataBar

Pharma 码

Aztec 码

Code 128

GS1 Databar QR编码

QR 编码

Codabar

EAN 8/13码GS1 Databar StackedUPC 码
GS1 Databar 全方位数据矩阵条码

二、技术规格

基础规格

系列:

DCR 200i

软件功能:

读取2D条码、一维码
芯片:CMOS(Global Shutter)专门设计:加热
光学数据

读取距离:

50 ... 800 mm

光源:

LED,红色
传输信号波形:脉冲
相机水平分辨率:1280 px
相机垂直分辨率:960 px模块大小:0.35 ... 1 mm
电子快门速度:0.068 ... 5 ms相机类型:单色
电气数据

保护电路:

反极性保护、短路保护

供电电压:

18 ... 30V,DC
数字开关量输入数:1 光束数字开关量输出数:1 光束
连接1
功能:供电电源,信号输入,信号输出,数据接口类型:插头
螺纹规格:M 12材料:金属
引脚数:12 个引脚编码:A-编码
连接2
功能:数据接口,配置接口类型:插座
螺纹规格:
M 12材料:金属
引脚数:4个引脚编码:D-编码
技术参数
显示类型:LEDLED数:10光束
配置类型:参数化代码,示教,通过网络浏览器可选输入/输出数:2光束
操作控制功能:自动配置,触发器,调整模式服务接口类型:以太网
接口类型:RS 232,RS 422,以太网工作温度:-30 ... 50 °C
储藏温度:
-20 ... 70 °C相对空气湿度(无冷凝):90%
防护等级:IP 65安全等级:III
符合标准:EN 6 1000-6-2,EN 6 1000-6-4,IEC 60068-2-29 Eb试验,IEC 60068-2-6 FC试验认证:c UL US
机械参数
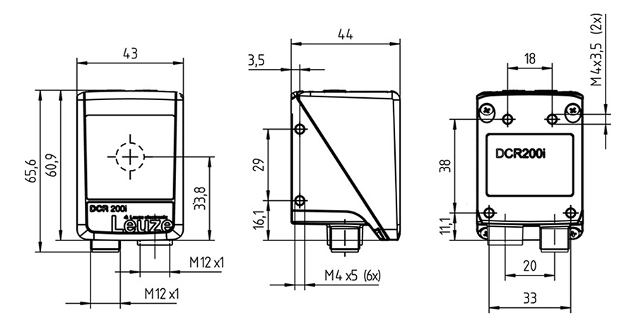
设计:方形尺寸:43 * 61 * 44 mm
外壳材料:塑料、金属重量:120 g
外壳颜色:紧固类型:安装螺纹,通过可选安装设备
劳易测 DCR 202i FIX-L1-102-R3-H 固定式2D条码阅读器尺寸图1.jpg

三、同类型产品

DCR 200i 系列

    • DCR 202i FIX-L1-102-R3-H

    • DCR 248i FIX-L2-102-R3

    • DCR 202i FIX-L2-102-R3

    • DCR 248i FIX-L1-102-I3-V

    • DCR 202i FIX-L1-102-I3-V

    • DCR 248i FIX-L1-102-R3-P

    • DCR 202iC FIX-L1-102-R3-F099

    • DCR 202i FIX-L1-102-R3-V

    • DCR 258i FIX-L1-102-I3-G-H

    • DCR 258i FIX-L1-102-I3-G

    • DCR 258i FIX-F2-102-I3-G

    • DCR 258i FIX-M1-102-I3-G

推荐产品

热门资讯

头条

3DMCV7 是MicroStrain 推出的一款具备战术级性能的惯性传感器

佛蒙特州威利斯顿,2022 年 5 月 27 日- 全球运动和控制技术领导者派克汉尼汾公司的派克洛德噪声、振动和声振粗糙度部门通过推出3DM CV7-AHRS 和3DM扩大了其 MicroStrain 传感产品组合CV7-AR 惯性传感器。3DM CV7传感器采用迄今为止最小、最轻的 OEM 封装,提供战术级惯性性能。3DM CV7 传感器专为大批量 OEM 机器人应用而设计,能够以令人难以置信的价值提供始终如一的准确结果。

2025-10-31
探索更多

Leuze DCR 202i FIX-L1-102-R3-H 固定式2D条码阅读器

咨询或邀约我们

请在线留言

captcha
我已阅读并同意使用条款隐私保护政策
我已阅读并同意使用条款隐私保护政策