服务热线

400-869-8582

我们能帮您找点什么吗?

Gigahertz-Optik ISD-21-BTS256-LED 测量光通量和光色的系统

德国 Gigahertz-Optik ISD-21-BTS256-LED 用于测量最大 63.5mm 的单个 2π 发光二极管的光通量和光色的系统。

一、ISD-21-BTS256-LED 光通量和光色测量系统的特点

  • 直径21cm的积分球和辅助灯。

  • 带有Bi-Tec传感器的紧凑型光谱测光计。

  • 可精确测量光通量、光谱辐射功率、CCT、CRI、色品坐标等。

二、ISD-21-BTS256-LED 光通量和光色测量系统介绍

     1、BTS256-LED 照度计

      在独立模式下,紧凑型BTS256-LED仪表专为方便测量单个 LED 的光通量、光谱、颜色和显色指数而设计。一个关键特征是内部积分球入口处的锥形测量端口,可以测量板载 LED。用于连接锥形适配器的卡口连接器可以将 BTS256-LED 与其他附件组件结合起来。 Gigahertz-Optik 提供不同的配件作为BTS256-LED Plus 概念的一部分,极大地扩展了 BTS256-LED 的测量能力。

 

      2、使用 ISD-21-V01 积分球增强 BTS256-LED

      ISD -21-V01积分球可以测量直径最大10毫米的单个LED(无需额外积分球的BTS256-LED)以及LED矩阵的光通量、光谱、颜色和显色指数以及直径最大为 63.5 毫米的 LED 射灯。积分球配有辅助灯,用于自吸收校正。 BTS256-LED 仍可用于单个板载 LED。卡口适配器可将设备连接到 ISD-21-V01 积分球上。

 

      3、校准

      光度测量设备的一项基本质量特征是其精确且可追溯的校准。带有 BTS256-LED 的 ISD-21-V01 由 Gigahertz-Optik 的校准实验室进行校准,该实验室根据 ISO/IEC 17025 获得 DAkkS (DK-15047-01-00) 的光谱响应度和光谱辐照度认证。光通量是使用BN-LHSF-2P-20校准灯完成的,该灯在球体中具有 2pi 辐射特性。每台设备均附有各自的校准证书。

三、ISD-21-BTS256-LED 光通量和光色测量系统的技术规格

(1)常规
简短的介绍:

光谱辐射计,用于高效测量直径最大 63.5 mm 的 LED 射灯的光通量、光谱、颜色和显色指数

主要特点:积分球直径为 21 厘米,测量端口为 63.5 毫米,光谱辐射计可以在没有积分球的情况下使用 – 用于测量单个 LED
测量范围:0.3 lm 至 35000 lm,360 nm 至 830 nm典型应用:来料检验(单个 LED)、直径最大 63.5 毫米的 LED 射灯、生产过程中的质量保证、设计
校准:工厂校准。可追溯至国际标准。
(2)产品
校准不确定度:

光通量校准±5%

一般的:该设备基于BTS256-LED,请在那里找到详细规格。
输入光学器件 - ISD-21-V01:带有硫酸钡涂层的积分球。测量口直径为63.5mm。直径 50.8mm 的端口变径管,带刀口。 12V/20W 卤素辅助灯。桌架。
(3)光谱探测器
典型测量时间:

BTS256-LED:

最大值 1000 lm ≤ 5ms(白光)
BTS256-LED:最小值 10 mlm ≤ 30s(白光)
BTS256-LED 与 ISD-21-V01:最大值 35000 lm ≤ 5ms(白光)
带 ISD-21-V01 的 BTS256-LED:最小值 350 mlm ≤ 30s(白光)
(4)一体式探测器
最大光通量:

BTS256-LED 测试仪:

典型值 70000lm
BTS256-LED 测试仪,带 ISD-21 :典型值 2000  klm
噪声等效光通量:BTS256-LED 测试仪:典型值 0.05mlm
BTS256-LED 测试仪,带 ISD-21 :典型值 2mlm

四、ISD-21-BTS256-LED 光通量和光色测量系统产品图

产品图

BTS256-LED 光谱辐射计1.jpg

BTS256-LED 光谱辐射计结构图1.png

BTS256-LED 光谱辐射计,带积分球,适用于直径最大 63.5 mm 的 LED 聚光灯

1) BTS256-LED 2) 50mm 积分球 3) 精密卡口安装 4) 带 Si 光电二极管、CMOS 二极管阵列光谱仪和快门的 BiTec 传感器 

5) 微处理器 6) USB 接口 7) ISD-21 积分球 8) 卡口安装 9) 挡板10) 辅助灯 11) 测量端口

BTS256-LED用于测量单个LED的光通量、光谱、颜色和显色指数1.jpg

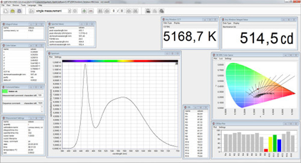
S-BTS256 用户软件用于测量带有集成球体和外球体的光通量1.jpg

BTS256-LED用于测量单个LED的光通量、光谱、颜色和显色指数S-BTS256 用户软件用于测量带有集成球体和外球体的光通量

五、可与ISD-21-BTS256-LED 光通量和光色测量系统配置的软件

  • S-SDK-BTS256:BTS256 变体的软件开发套件。

六、更多与ISD-21-BTS256-LED 光通量和光色测量系统类似的产品

  • ISD-50-BTS256-LED:用于测量长达 100mm 的单个 2π 发光二极管的光通量和光色的系统。特点:直径50cm的积分球和辅助灯,带有Bi-Tec传感器的紧凑型光谱测光计,可精确测量光通量、光谱辐射功率、CCT、CRI、色品坐标等。

推荐产品

热门资讯

头条

3DMCV7 是MicroStrain 推出的一款具备战术级性能的惯性传感器

佛蒙特州威利斯顿,2022 年 5 月 27 日- 全球运动和控制技术领导者派克汉尼汾公司的派克洛德噪声、振动和声振粗糙度部门通过推出3DM CV7-AHRS 和3DM扩大了其 MicroStrain 传感产品组合CV7-AR 惯性传感器。3DM CV7传感器采用迄今为止最小、最轻的 OEM 封装,提供战术级惯性性能。3DM CV7 传感器专为大批量 OEM 机器人应用而设计,能够以令人难以置信的价值提供始终如一的准确结果。

2025-10-31
探索更多

Gigahertz-Optik ISD-21-BTS256-LED 测量光通量和光色的系统

咨询或邀约我们

请在线留言

captcha
我已阅读并同意使用条款隐私保护政策
我已阅读并同意使用条款隐私保护政策