服务热线

400-869-8582

我们能帮您找点什么吗?

Gigahertz-Optik ISD-15-BTS2048-VL 积分球光谱辐射计系统

德国 Gigahertz-Optik ISD-15-BTS2048-VL 是一款用于 LED 测试和系统集成的紧凑型积分球光谱辐射计系统。

一、ISD-15-BTS2048-VL 积分球光谱辐射计系统的特点

  • 直径 15 cm 积分球、辅助灯、防尘测量端口(玻璃圆顶)、2π 几何形状。

  • 脉冲和连续波测量。

  • 快速快门(电子快门),积分时间极短 (2 µs)。

  • 配备BiTec传感器* 的高端光谱辐射计,可快速准确地测量光通量、光谱辐射功率、CCT、CRI 等。

二、ISD-15-BTS2048-VL 积分球光谱辐射计系统介绍

      1、一流的 BTS2048 光谱辐射计系列

      高品质的 BTS2048系列CCD光谱仪是国际公认的高端产品。它是市场上最紧凑的光谱辐射计之一,可在许多应用中直接进行系统集成,而无需昂贵且可能降低测量质量的光导。其特征之一是其扩散器窗口,允许直接安装到积分球(例如ISD-15)上以测量光通量。有关BTS2048-VL 的更多详细信息可以在相应的数据表中找到。该装置还有BTS2048-VL-TEC热电冷却版本。

 

      2、使用 BTS2048 系列进行前端和后端 LED 分级

      BTS2048 非常适合用于工业 LED 分级。特别是,它可用于执行 CIE S025 或 DIN 5032-9 规定的 LED 时间同步脉冲测量。当想要考虑测量中的热效应时,这是必要的(另请参阅有关SSL/LED 测试的技术文章)。 CCD 传感器的所有像素(电子快门)的瞬时电子归零设置与其触发接口相结合,可实现 BTS2048 测量和 LED 电流供应之间的完美同步。该器件还具有极宽的动态范围,最短积分时间仅为 2 µs。这比传统设备(通常为毫秒)短 1000 倍,从而可以实现 OD3 因子。此外,内部 OD1 和 OD2 滤波器将动态范围提高了高达 9 个数量级,并且快速以太网接口提供了快速的数据传输。为了让用户将该设备集成到他们的系统中,BTS2048 系列提供了功能强大的S-SDK-BTS2048软件开发套件。 

      *其独特功能之一是 Gigahertz-Optik 开发的创新BiTec 传感器,该传感器由 V(lambda) 过滤硅光电二极管和光谱辐射计单元组成。这使得它极其线性、稳定和快速,因此保证了更高的测量精度,而且不会带来任何缺点。两个传感器都可以独立使用,并且传感器的相互校正有利于准确性、速度和多功能性(参见有关 BTS 技术的文章)。

 

      3、BTS2048 增强为 2Pi 发光强度光谱辐射计

      BTS2048可以直接与积分球结合来测量发光强度。积分球和光谱仪设计紧凑、重量轻且无需连接光导,形成一个整体模块,可以方便地集成到前端和后端 LED 分档的完整测试系统中。它作为完全校准的模块提供。该模块可以作为单个实体进行重新校准。无需连接光导,可方便地进行重新校准,且不确定性较低。BN-LHSF-2P-20 2pi 校准灯可用于使用随附的用户软件直接在测试系统中执行重新校准。

      Gigahertz Optik GmbH 的积分球构造套件允许定制,从而使积分球尽可能适应特定应用。

 

      4、用于工业 LED 分级的 ISD-15-V01 积分球

      ISD-15-V01 具有许多特性,使其非常适合与 BTS2048 光谱辐射计结合进行光通量测量。它的直径为 150 毫米(6 英寸),在 2Pi 接受度和光通量方面提供了良好的折衷,以实现高灵敏度。直径 35 毫米的测量端口具有刀刃,可不受限制地进入光线。测量端口后面集成了一个透明圆顶,以保护球体涂层免受工业环境中的污染。该球体具有辅助灯以补偿自吸收效应。辅助灯的照明是通过漫射窗完成的。

 

      5、校准

      光度测量设备的一项基本质量特征是其精确且可追溯的校准。 ISD-15-V01 -BTS2048-VL 2pi 光通量光谱辐射计在 Gigahertz-Optik 的 DAkkS 认证 (DK-15047-01-00)  ISO/IEC 17025 校准实验室  进行光谱响应度和光谱辐照度校准。使用积分球中具有 2pi 辐射特性的BN-LHSF-2P-20校准灯进行校准。每个设备都带有各自的校准证书。

 

      6、系统集成软件

      Gigahertz-Optik 提供 S-SDK-BTS2048 软件开发套件,用于将 ISD-15-BTS2048-VL 2pi 光通量光谱辐射计与用户 LED 测试系统的系统软件集成。

三、ISD-15-BTS2048-VL 积分球光谱辐射计系统的技术规格

常规
简短的介绍:

2pi 光通量光谱仪作为 LED 测试系统的集成模块,用于基于光通量、光谱、颜色和显色指数的 LED 前端和后端测试。

主要特点:积分球直径为 15 厘米,测量端口为 35 毫米,可防止污染。高品质CCD传感器光谱辐射计。
测量范围:光通量:积分 0.03 mlm 至 100 klm
典型白光 LED 的光谱:2 lm 至 16000 klm
光谱辐射通量:1E-7 W/nm 至 7E2 W/nm
光谱范围:350 nm 至 1050 nm
典型应用:用于集成到 LED 测试系统中的 2pi 光通量光谱辐射计。 LED 电路板、LED 矩阵、LED 射灯的在线质量保证。校准:工厂校准。可追溯至国际校准标准。

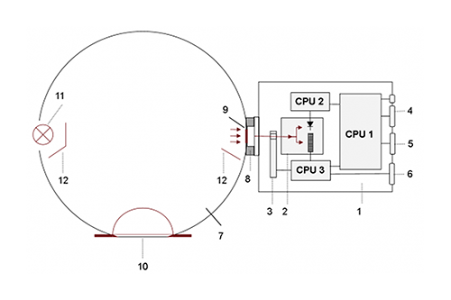
四、ISD-15-BTS2048-VL 积分球光谱辐射计系统产品图

产品图

Gigahertz-Optik ISD-15-BTS2048-VL 积分球光谱辐射计系统1.jpg

Gigahertz-Optik ISD-15-BTS2048-VL 积分球结构图1.png

ISD-15-BTS2048-VL 用于 LED 测试和系统集成的紧凑型积分球光谱辐射计系统

1) BTS2048-VL 2) BiTec 传感器,带 Si 光电二极管、CCD 光谱仪 3) 带 OD1、OD2 和快门的滤光轮 

4) USB 2.0 接口 5) 高速以太网接口 6) 触发输入/输出 7) 球体表面扩散器 8 ) 带防护圆顶窗和刀口设计的测量端口 

11) 辅助灯 12) 挡板

S-BTS2048应用软件1.jpg

S-SDK-BTS2048软件开发套件1.jpg

S-BTS2048应用软件S-SDK-BTS2048软件开发套件

五、可与ISD-15-BTS2048-VL 积分球光谱辐射计系统配置的仪器软件

  • S-SDK-BTS2048:BTS2048 变体的软件开发套件。

  • BN-LHSF-2P-20:2π 光谱通量、总通量和 CCT 校准标准灯。

  • S-BTS2048:BTS2048 变体的应用软件。

六、更多与ISD-15-BTS2048-VL 积分球光谱辐射计系统类似的产品

  • TPI21-TH:用于测试 LED 和 LED 组件的测量系统。

推荐产品

热门资讯

头条

3DMCV7 是MicroStrain 推出的一款具备战术级性能的惯性传感器

佛蒙特州威利斯顿,2022 年 5 月 27 日- 全球运动和控制技术领导者派克汉尼汾公司的派克洛德噪声、振动和声振粗糙度部门通过推出3DM CV7-AHRS 和3DM扩大了其 MicroStrain 传感产品组合CV7-AR 惯性传感器。3DM CV7传感器采用迄今为止最小、最轻的 OEM 封装,提供战术级惯性性能。3DM CV7 传感器专为大批量 OEM 机器人应用而设计,能够以令人难以置信的价值提供始终如一的准确结果。

2025-10-31
探索更多

Gigahertz-Optik ISD-15-BTS2048-VL 积分球光谱辐射计系统

咨询或邀约我们

请在线留言

captcha
我已阅读并同意使用条款隐私保护政策
我已阅读并同意使用条款隐私保护政策