服务热线

400-869-8582

我们能帮您找点什么吗?

Gigahertz-Optik BTS256-PAR Meter 手持式便携式 PAR 计

德国 Gigahertz-Optik BTS256-PAR Meter 手持式便携式 PAR 计,用于园艺应用中光合有效辐射的量子测量。

一、BTS256-PAR Meter 测量仪的特点

  • 先进的 PAR 光度计可测量基于 LED 的传统自然或人工园艺(种植)照明。

  • 防溅外壳 PAR 照度计和数据记录仪 – 非常适合温室使用。

  • 测量 PAR、PPFD、R/FR(红光/远红光比率)、DLI(日光积分)。

  • 最多可以应用五个用户定义的光谱加权函数。

  • 扩展的 LED 色彩和照度计功能,包括明视照度和暗视照度、光谱辐照度、CCT、CRI、色坐标等。

  • WiFi版本可用于远程安装。

二、BTS256-PAR Meter 测量仪介绍

      先进的特性和功能以及手持式便携性可在植物生长、土壤科学、园艺和水产养殖应用中进行 PAR、PPFD、R/FR、DLI 的现场或实验室级测量和数据记录。

      BTS256-PAR 计还可用作高质量的光、颜色和光谱计。其光和 LED 测量数量的完整列表如下所示。

      BTS256-PAR 测量仪的一项独特功能是其 BiTec 传感器,可在测量 LED 光源或任何其他人造或自然光源时提高精度。 

      Gigahertz-Optik 的 BiTec 传感器技术将硅光电二极管的宽动态范围、无与伦比的线性度和快速响应时间与低噪声 CMOS 二极管阵列相结合。 BiTec 传感器通过两个传感器测量信号的相互校正,保证在大动态范围内获得准确的 PAR、光度和光谱辐射测量值。另请参阅我们有关 PAR 测量和 PAR 仪表中 PAR 实施的技术文章。

 

      1、硅光电二极管探测器,快速且线性

      硅光电二极管配备了明视滤光片,通过二极管阵列的实时光谱测量数据进一步改善了其光谱与光度 V(λ) 响应的匹配。最终结果是基于 LED 和其他生长灯的更完整、更准确的绝对 PAR、光、颜色和光谱测量,以研究光谱调谐在园艺领域的效果。

 

      2、用于个性化 PAR 测量的用户特定权重函数

      使用随附的 S-BTS256 软件,最多可以将五个用户实验光谱加权函数自编程到 PAR 计中,并保存在 PAR 计内存中以供继续使用。这使得可以分析不同园艺物种的个体光合光子通量。

 

      3、用于光谱测量数据的二极管阵列检测器

      PAR 计 BiTec 传感器的 CMOS 二极管阵列部分提供 360 nm 至 830 nm 范围内的精确光谱测量数据。然后,该数据用于计算颜色值和暗视照度以及优化光度响应度。

 

      4、优化的信噪比 

      如果不精确地减去二极管阵列探测器中的暗信号,会对信噪比 (SNR) 产生负面影响,从而影响测量质量。所有 BiTec 传感器仪表中的远程控制快门都可以在线补偿取决于温度和积分时间的暗噪声信号。 

 

      5、脉宽调制 (PWM) LED 灯

      BiTec 传感器的快速光电二极管使 BTS256-PAR 测量仪能够自动与在 PWM 模式下运行的 LED 和灯的频率同步。这对于 LED 植物生长灯或其他 LED PAR 光源尤其重要。

 

      6、精确的余弦校正视场

      对于精确的照度测量设备来说,余弦校正视场是绝对必要的。对于扩展光源照度设置,探测器余弦匹配对 PAR 照度计的测量不确定度有显着影响。 BTS256-PAR 照度计配备直径 20 mm 的漫射窗,其余弦匹配确保 f 2 ≤ 3% 不确定度,符合 DIN 5036 B 级质量要求。两个 BiTec 传感器探测器在扩散器窗口后面居中对齐,共享相同的视角。

 

      7、某些应用的 DIN 质量等级 A

      在可接受视角限制的应用中,BTS256-PAR 测量仪的 f1'、u、f3 和 f4 值符合 DIN 质量等级 A(DIN 5032 第 7 部分)。

 

      8、多种光度和色度测量值 

      与其他传统 PAR 光度计(尤其是 LED PAR 光度计)相比,LED 光源的验证和测试需要更广泛的被测量多样性。 BTS256-PAR 测量仪提供 14 个测量值,用于最先进的 PAR、光线和颜色鉴定:

测量值
• Ep 明视照度

• R/FR 红光与远红光的关系

• Eλ光谱辐照度• CT色温
• Es暗视照度• EVE“等效视觉效率”系数• x, y CIE 1931 颜色坐标• Δuv 与黑体轨迹的偏差
• DLI(日光积分)• 是的辐照度• u', v' CIE 1976 颜色坐标• λdom 主波长
• λp 峰值强度波长• λ0,5 光谱半宽度• 纯度 颜色纯度• CRI Ra 和 R1 至 R15 显色指数
• PAR PPFD,单位 µmol/(m²s)(光合光子通量密度)• Esy1、Esy2、Etp1、Etp2(W/m²)
• UWF用户加权函数(最多输入5个不同的用户频谱函数)• 夜间和白天视力的 Es/Ep 比值

      9、标准测量的可选显示模式

BTS256-PAR Bi-Tec 传感器 PAR 照度计提供多种显示模式,其中显示常见光度测量所需的被测量值。光标按钮用于在显示之间切换。用户可以使用用户可选择的测量值单独配置和保存显示模式。

 

      10、测量参数信息显示

      集成的信息显示屏显示所有相关的测量参数。

 

      11、易于操作和处理

      三个前面板控制按钮和逻辑结构的菜单导航使 BTS256-PAR 仪表易于操作。例如,在标准测量模式下,用户不必手动设置测量参数,因为这些参数是自动选择和调整以匹配测量条件的。在专家模式下,用户可以访问所有测量参数。

 

      12、许多有用的额外功能

         • 延时测量允许用户在暴露期间将自己移开

         • 测量期间仪表显示屏自动变暗。

         • 可以设置声音信号来标记测量的结束。

         • 可以使用 PC/软件设置显示各个测量点处的单个值的布局图,以绘制照度分布图。测量点可以被逐步处理和保存。

         • 快速数据记录器测量模式,可以以高达 100ms 的最大测量速率记录光电二极管的计时读数。

         • 第二种数据记录器测量模式,可以按时间记录所有被测量,包括光谱测量数据。

         • 还可以设置实时日期和时间。

         • 三脚架安装插座

         • 带挂绳的扩散器防护罩

 

      13、三脚架安装和 Wi-Fi 选项

      测量设备的底部有一个三脚架插座。有了这种帮助,它可以轻松放置在温室等地方。Wi -Fi 选项、防溅设计和 (2) 数据记录器功能使 BTS256-PAR 仪表能够像在温室中一样进行远程部署。 (如果保证与 PC 的视觉接触,则 >100 m)。

 

      14、直接使用或远程选项:

         • 无需 PC:  BTS256-PAR 仪表具有所有必要的内部功能和板载显示屏,可供独立使用。充电电池的容量大于 8 小时。提供的 USB 电源适配器无需 PC 即可为仪表充电。

         • 与 PC 配合使用: BTS256-PAR 仪表配备 USB 2.0 接口。 USB 用于数据交换和电池充电。

         • 用户软件:随附的S-BTS256软件提供了测量、数据显示和数据传输所需的所有功能。该软件采用先进、灵活的桌面概念,为用户提供所需测量值的个性化配置。这可以是仅填充勒克斯测量值的全屏,也可以是包含数字和图形字段的矩阵。每个桌面星座都可以轻松保存以供将来的用户使用

         • 软件开发套件: Gigahertz-Optik 为程序员提供可选的 S-SDK-BTS256 软件开发套件。该 SDK 可与 National Instruments 的 LabView、Microsoft 的 .NET 以及 C/C++、Python 等一起使用。 SDK 简化了 BTS256-PAR 仪表与内部开发软件的集成。

三、BTS256-PAR Meter 测量仪的技术规格

(1)常规
传感器:

B 级 DIN 5032 第 7 部分或 AA,符合 JIS C 1609-1:2006射计

输入光学器件:扩散窗直径 20mm,余弦校正视场,f2 ≤ 3 %
1161">A 级 DIN 5032 第 7 部分,适用于 f1'、u、f3 和 f4 或一般精度等级,符合 JIS C 1609-1:2006校准不确定度:照度+/-2.2%
传感器:具有光度宽带检测器和阵列光谱仪的双技术传感器。用于自动暗信号调整的集成光圈。加权函数:此外,设备中还可以保存五种不同的用户特定加权函数
测量数量:

PAR - µmol/(m²s)

DLI - Daily Light Integral(借助数据记录器测量的时间解析)
R/FR - 红光与远红光的比率
Esy1、Esy2、Etp1、Etp2 加权函数
5 种不同的用户特定加权函数
加权函数:

BTS256-PAR Meter加权函数1.jpg

此外,设备中还可以保存五种不同的用户特定加权函数。

(2)光谱探测器
芯片:CMOS 二极管阵列光谱范围:(380 - 750) nm
光带宽:10 nm数据分辨率:1 nm
积分时间:(5.2 - 30000) ms光谱颜色测量范围:(1- 199,999) lx(白光)
快门:用于暗信号测量的自动光圈,其积分时间与光测量相同。光圈延迟 = 100ms。
典型测量时间:199,999 lx ≤ 5ms(白光)暗视:暗视测量范围光谱 (1 - 199,999) lx
100 lx ≤ 1s(白光)暗视照度校准不确定度 +/-2.2%
峰值波长:+/- 1nm主波长:+/- 1nm
重复性 Δx 和 Δy:+/- 0.0001(标准光源类型 A)Δy Δx 不确定度:+/- 0.002(标准光源类型 A)
+/- 0.0002(LED)+/- 0.005(典型值 LED)
色温测量范围:(1700 - 17000) KCRI(显色指数):Ra 和 R1 至 R15
相关色温:+/- 50K(A 类光源标准)杂散光:6E-4(蓝色LED)
6E-4(绿色LED)
+/- 4%(取决于 LED 光谱)6E-4(红色LED)
1E-3(白光LED)
PAR测量范围(0.1 - 20000) µmol/(m²s)(白光)
校准不确定度:光谱辐照度
λu(k=2)
(360 - 399) nm± 5.5 %
(400 - 479) nm± 4 %
(480 - 779) nm± 3.8 %
(780 - 830) nm± 4.3 %
光谱辐照度响应度 (380 - 750) nm
(3)一体式探测器
筛选:

光谱响应度与精细的 CIE 光度匹配。通过光谱测量数据在线校正光度匹配(光谱失配因子校正)

f1'(光谱不匹配):≤6%(未校正)最大照度:≥199,999 lx
≤3% (f1' a*(s z ( λ )) 分别通过光谱数据校正 F*(s z ( λ )),由 BTS 技术自动完成)噪声等效照度:≤ 0.01lx
模数转换器:12Bit测量时间:(0.1 - 6000) ms
(4)其它
微处理器:

16Bit,25ns 指令周期

电源:每个 USB 5VDC、450mA
接口:USB 2.0(B 型 USB 端口)温度范围:工作:+10°C 至 +30°C
选项 WiFi:WiFi 2.4 GHz(外部天线,范围 > 100m)储存:-10°C 至 +50°C
尺寸:159mm x 85mm x 45mm(长×宽×高)重量:500克
运输箱:

333mm x 280mm x 70mm

650克
(5)图表

光谱响应度1.png

f2(方向响应余弦误差).png

光谱响应度f2(方向响应/余弦误差)

四、BTS256-PAR Meter 测量仪产品图

产品图

BTS256-PAR Meter具有精确余弦视场功能的照度计.png

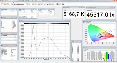
BTS256-PAR Meter标准显示照度和光谱1.jpg

具有精确余弦视场功能的照度计

标准显示照度和光谱

S-BTS256用户软件带有模块化设置桌面.jpg

BTS256-PAR Meter标准显示节能灯的照度、x,y 颜色坐标、色温和发射光谱1.jpg

S-BTS256用户软件带有模块化设置桌面

标准显示节能灯的照度、x,y 颜色坐标、色温和发射光谱

五、可与BTS256-PAR Meter 测量仪配置的软件

  • S-SDK-BTS256:BTS256 变体的软件开发套件。

  • S-BTS256:BTS256 变体的应用软件。

六、更多与BTS256-PAR Meter 测量仪类似的产品

  • MSC15:适用于传统照明和 LED 照明的紧凑型手持式光谱照度计。

  • BTS256-EF:高精度闪烁计和通用照明光谱照度计。

  • BTS2048-VL:多功能、超快速度和高品质 LED 光谱仪。

  • CSS-45:适用于传统照明和 LED 照明的紧凑且经济高效的光谱光探测器。

推荐产品

热门资讯

头条

3DMCV7 是MicroStrain 推出的一款具备战术级性能的惯性传感器

佛蒙特州威利斯顿,2022 年 5 月 27 日- 全球运动和控制技术领导者派克汉尼汾公司的派克洛德噪声、振动和声振粗糙度部门通过推出3DM CV7-AHRS 和3DM扩大了其 MicroStrain 传感产品组合CV7-AR 惯性传感器。3DM CV7传感器采用迄今为止最小、最轻的 OEM 封装,提供战术级惯性性能。3DM CV7 传感器专为大批量 OEM 机器人应用而设计,能够以令人难以置信的价值提供始终如一的准确结果。

2025-10-31
探索更多

Gigahertz-Optik BTS256-PAR Meter 手持式便携式 PAR 计

咨询或邀约我们

请在线留言

captcha
我已阅读并同意使用条款隐私保护政策
我已阅读并同意使用条款隐私保护政策