服务热线

400-869-8582

我们能帮您找点什么吗?

Baumer OHDK 10P5101/S35A 背景抑制型漫反射式传感器

堡盟 Baumer OHDK 10P5101/S35A 是一款微型的具有背景抑制功能的漫反射传感器|激光数字传感器,货号: 10132112。

一、OHDK 10P5101/S35A 背景抑制型漫反射式传感器的特点

    • 类型:背景抑制型。

    • 感应距离:22 … 130 mm。

    • 光源:脉冲红色激光二极管。

    • 输出电路:PNP。

    • 感应距离调节:机械式,5转。

    • 连接方式:M8接头,4针。

    • 工作温度:-10 … 50 °C。

    • 防护等级:IP 67。

二、OHDK 10P5101/S35A 背景抑制型漫反射式传感器的技术规格

(1)基本参数

类型:

背景抑制型

感应距离 Tw:

22 … 130 mm

感应范围 Tb(Tw最大):3 … 130 mm感应范围 Tb(Tw最小):3 … 22 mm
重复精度:< 0,2 mm (激光焦点处)上电指示灯:绿色LED
指示灯:黄色LED感应距离调节:机械式,5转
焦距:40 mm交互影响抑制:

(2)光源

光源:

脉冲红色激光二极管

激光等级:

2

波长:650 nm

(3)电气参数

响应时间 / 释放时间:

< 0,25 ms

电源电压范围 +Vs:

11 … 30 VDC

最大电流消耗(无负载):30 mA典型电流消耗:25 mA
压降 Vd:<1,8 VDC输出功能:亮通/暗通
输出电路:PNP输出电流:100 mA
短路保护:反极性保护:是,仅电源

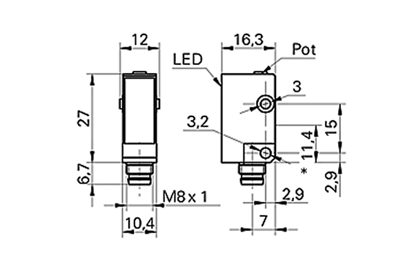
(4)机械参数

宽度 / 直径:

10,4 mm

高度 / 长度:

27 mm

深度:16,3 mm类型:矩形
外壳材质:塑料(ASA)前端光学元件:PMMA
连接方式:M8 接头,4针

(5)环境条件

工作温度:

-10 … +50 °C

防护等级:

IP 67

三、OHDK 10P5101/S35A 背景抑制型漫反射式传感器的相关介绍

相关介绍

Baumer OHDK 10P5101S35A 背景抑制型漫反射式传感器尺寸图1.jpg

Baumer OHDK 10P5101S35A 背景抑制型漫反射式传感器接线图1.jpg

OHDK 10P5101/S35A 背景抑制型漫反射式传感器尺寸图OHDK 10P5101/S35A 背景抑制型漫反射式传感器接线图
OHDK 10P5101S35A 背景抑制型漫反射式传感器典型光束特性1.jpgOHDK 10P5101S35A传感器激光警告1.jpg
OHDK 10P5101/S35A 背景抑制型漫反射式传感器典型光束特性OHDK 10P5101/S35A 背景抑制型漫反射式传感器激光警告

推荐产品

热门资讯

头条

3DMCV7 是MicroStrain 推出的一款具备战术级性能的惯性传感器

佛蒙特州威利斯顿,2022 年 5 月 27 日- 全球运动和控制技术领导者派克汉尼汾公司的派克洛德噪声、振动和声振粗糙度部门通过推出3DM CV7-AHRS 和3DM扩大了其 MicroStrain 传感产品组合CV7-AR 惯性传感器。3DM CV7传感器采用迄今为止最小、最轻的 OEM 封装,提供战术级惯性性能。3DM CV7 传感器专为大批量 OEM 机器人应用而设计,能够以令人难以置信的价值提供始终如一的准确结果。

2025-10-31
探索更多

Baumer OHDK 10P5101/S35A 背景抑制型漫反射式传感器

咨询或邀约我们

请在线留言

captcha
我已阅读并同意使用条款隐私保护政策
我已阅读并同意使用条款隐私保护政策