服务热线

400-869-8582

我们能帮您找点什么吗?

HBK 3DM-CV7-INS 战术级嵌入式惯性导航传感器

美国 Lord(现为 HBK)MICROSTRAIN 3DM-CV7-INS 战术级嵌入式惯性导航系统传感器,具有外部位置和速度输入的嵌入式战术级惯性导航系统。3DM-CV7-INS 具有先进的扩展卡尔曼滤波器、尖端的定向算法、先进的时间管理和事件触发系统。

3DM-CV7-INS 采用迄今为止最小、最轻的  OEM  封装,提供战术级惯性性能。每个 3DMCV7 均经过单独校准,并具有自适应扩展卡尔曼滤波器,可在各种操作条件下实现最佳性能。

一、3DM-CV7-INS 惯性导航系统传感器的产品优点

产品优点

• 1.5°/h  陀螺仪偏置不稳定性。

• 低延迟。

• 卓越的抗振能力。

• 可调采样率高达  1  KHz。

• 外部时钟同步。

• 自适应扩展卡尔曼滤波器。

• 自定义事件触发系统。

• 集成磁力计。

• 外部位置和速度输入。

• 通过  AUX  端口的行业标准  NMEA  输入。

• 防御就绪:接受加密的  GNSS  接收器。

• 过滤器主体框架约束。

• 体速度输入和输出。

二、3DM-CV7-INS 惯性导航系统传感器的产品特点

传感器操作封装

• 战术级陀螺仪(1.5°/小时偏差不稳定性)。

• 在整个温度范围内经过全面校准。

• 横滚/俯仰精度:

         • 静态:0.25°。

         • 动态:0.5°。

• 用于绝对航向跟踪的集成磁力计。

• 用于姿态估计的板载扩展卡尔曼滤波器。

• 用户可选择的加速度计和陀螺仪范围。

• 所有通道均为 1 KHz 输出数据速率。

• 工厂支持的 ROS1 和 ROS2 驱动程序。

• 用于配置、控制、显示和记录的SensorConnect软件。

• MSCL开源 API,易于集成。

• 阳极氧化铝安装底座。

• 精密对准功能。

• 紧凑、薄型:

         • 38×24×8.6 毫米。

         • 8.3克。

         • 比3DM CV5薄 18%。

         • 比3DM CV5轻 20%。

• USB 和 UART (TTL) 接口。

• –40 至 +85°C 工作温度范围。

三、3DM-CV7-INS 惯性导航系统传感器的应用领域

农业移动机器人天线和摄像头指向

 • 紧凑、最先进的惯性传感器,采用经过验证的第五代高性能工业级

固态 MEMS 加速度计和陀螺仪惯性传感器技术。

 • 低成本、紧凑的尺寸和所有轴的 360 度完整测量范围。

 • 在 -40°C 至 85° 的整个工作温度范围内保持高精度。

 • 自适应扩展卡尔曼滤波器可实现最佳动态精度和车载性能。

• 低噪声、线性且稳定的 MEMS 陀螺仪和加速计可在转弯和颠簸期间实现

卓越的航向精度。

• 自适应卡尔曼滤波器算法提供卓越的动态性能。

• 自动自校准和自动异常拒绝使带有磁力计的装置可靠且准确的航向参考。

• 完全校准和温度补偿的 IMU 在苛刻的环境中提供稳定的性能。

• 低噪声、低延迟、线性 MEMS 陀螺仪和加速度计可实现准确、稳定的姿态跟踪。

• 坚固的机加工铝工业包装可在高振动和冲击环境中提供可靠的性能。

• 适用于嵌入式应用的紧凑型 OEM 版本可降低成本而不损失精度。

四、3DM-CV7-INS 惯性导航系统传感器的技术规格

(1)系统性能
姿态和航向(-AR、-AHRS)惯导精度 [4]
横滚、俯仰(静态):0.25°位置:外部GNSS
横滚、俯仰(动态)[1]:0.5°速度:外部GNSS
航向(静态,仅限 AHRS)[2]:0.5°滚动、俯仰:TBD
航向(动态,仅限 AHRS)[1,2]:航向:TBD或外部 GNSS
(2)IMU
加速度计陀螺仪磁力计气压计
量程:

± 4g, 8g, 16g

± 250 °/s, 500 °/s, 1000 °/s

±8 Gauss260 to 1260 mbar
随机游走:30 µg/√Hz0.14 °/√h----
偏差不稳定性:18 µg1.5 °/h----
噪音密度:30 µg/√Hz8.5 °/h/√Hz----
开启至开启偏置 [3]:40 µg0.004 °/s----
温度范围内的偏置误差:0.75 mg0.03 °/s----
温度范围内的比例因子误差:600 PPM1000 PPM----
(3)接口
连接器:Samtec FTS-105 (2x5)通讯接口:UART(TTL)、USB
输出数据速率(IMU 和 EKF):1 至 1000 HzI/O:4x GPIO
GPIO功能:事件触发、PPS输入/输出协议:MIP、NMEA [4]
辅助传感器:外部航向、位置 [4]、速度 [4]
(4)物理和电气
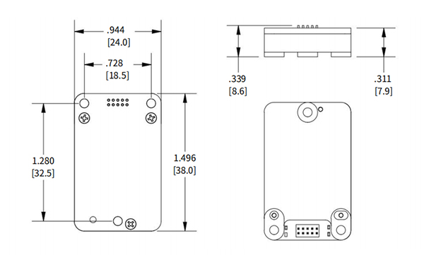
尺寸:38 x 24 x 8.6 mm重量:8.3克
功耗:230mW(典型)、280mW(最大)工作电压:3.2 至 5.2 V DC
GPIO电压:3V(5V 容差)工作温度:-40°C 至 85°C
MTBF:2,002,026小时(Telecordia方法,GM/35C)
(5)产品型号
名称零件编号说明
3DM-CV7-INS6291-9960惯性导航系统
3DM-CV7-AHRS6286-9960姿态和磁力计辅助航向
3DM-CV7-AR6287-9960姿态和相对航向

[1] 汽车条件,取决于车辆动力学。

[2] 磁航向,具有有效的磁偏角、磁环境和硬/软铁校准。

[3] 偏置重复性,<24小时。

[4] 仅 INS 型号。

五、3DM-CV7-INS 惯性导航系统传感器产品展示

产品展示

3DM-CV7-INS惯性导航系统1.jpg

HBK 3DM-CV7-INS 战术级嵌入式惯性导航系统尺寸图1.jpg

3DM-CV7-INS 惯性导航系统传感器产品图

3DM-CV7-INS 惯性导航系统传感器尺寸图

推荐产品

热门资讯

头条

3DMCV7 是MicroStrain 推出的一款具备战术级性能的惯性传感器

佛蒙特州威利斯顿,2022 年 5 月 27 日- 全球运动和控制技术领导者派克汉尼汾公司的派克洛德噪声、振动和声振粗糙度部门通过推出3DM CV7-AHRS 和3DM扩大了其 MicroStrain 传感产品组合CV7-AR 惯性传感器。3DM CV7传感器采用迄今为止最小、最轻的 OEM 封装,提供战术级惯性性能。3DM CV7 传感器专为大批量 OEM 机器人应用而设计,能够以令人难以置信的价值提供始终如一的准确结果。

2025-10-31
探索更多

HBK 3DM-CV7-INS 战术级嵌入式惯性导航传感器

咨询或邀约我们

请在线留言

captcha
我已阅读并同意使用条款隐私保护政策
我已阅读并同意使用条款隐私保护政策